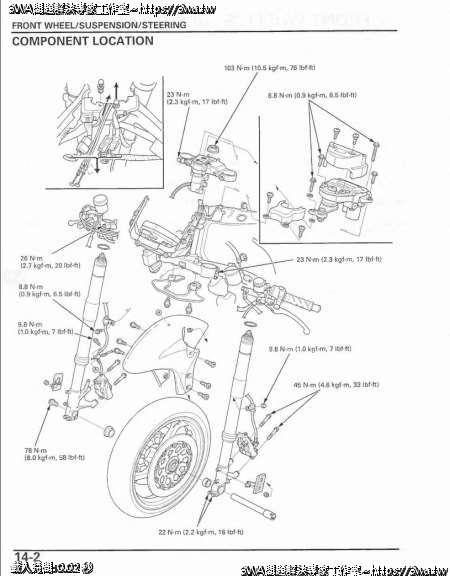
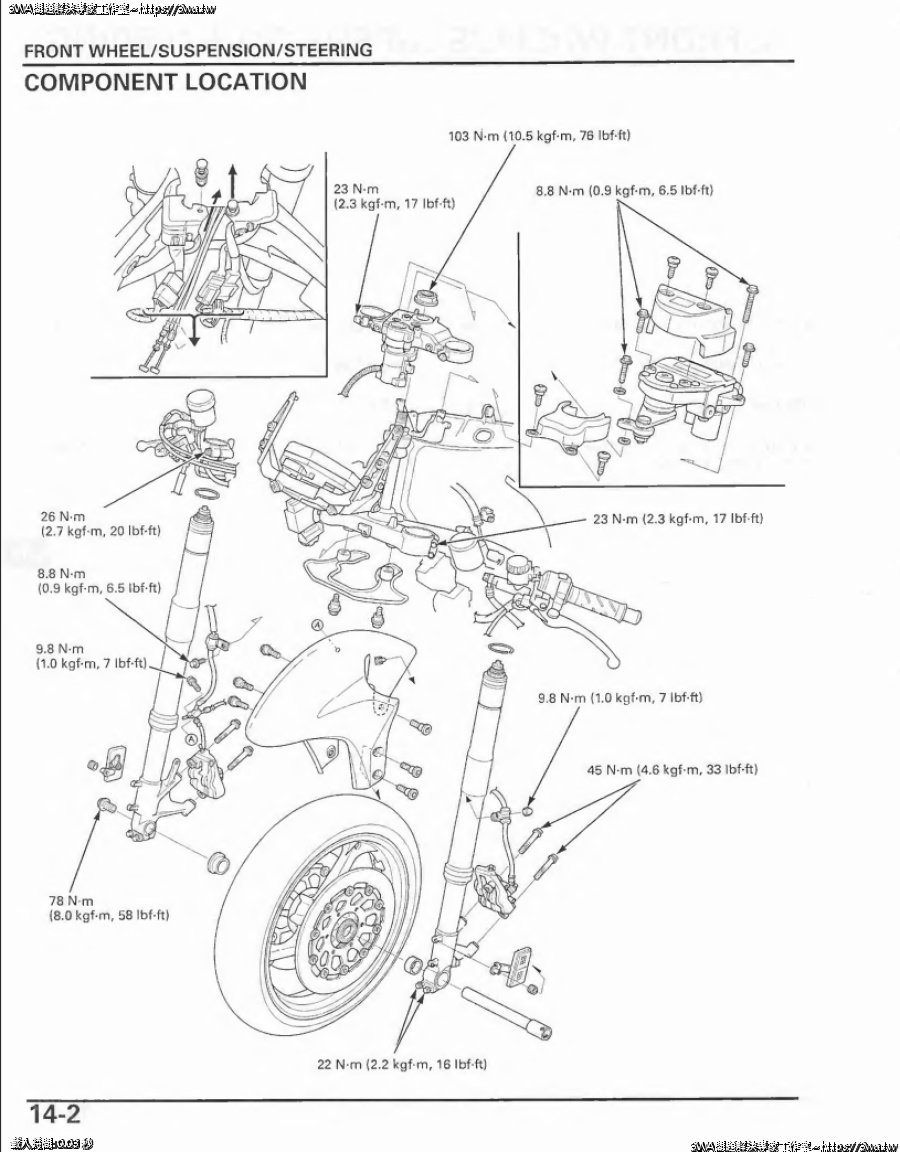
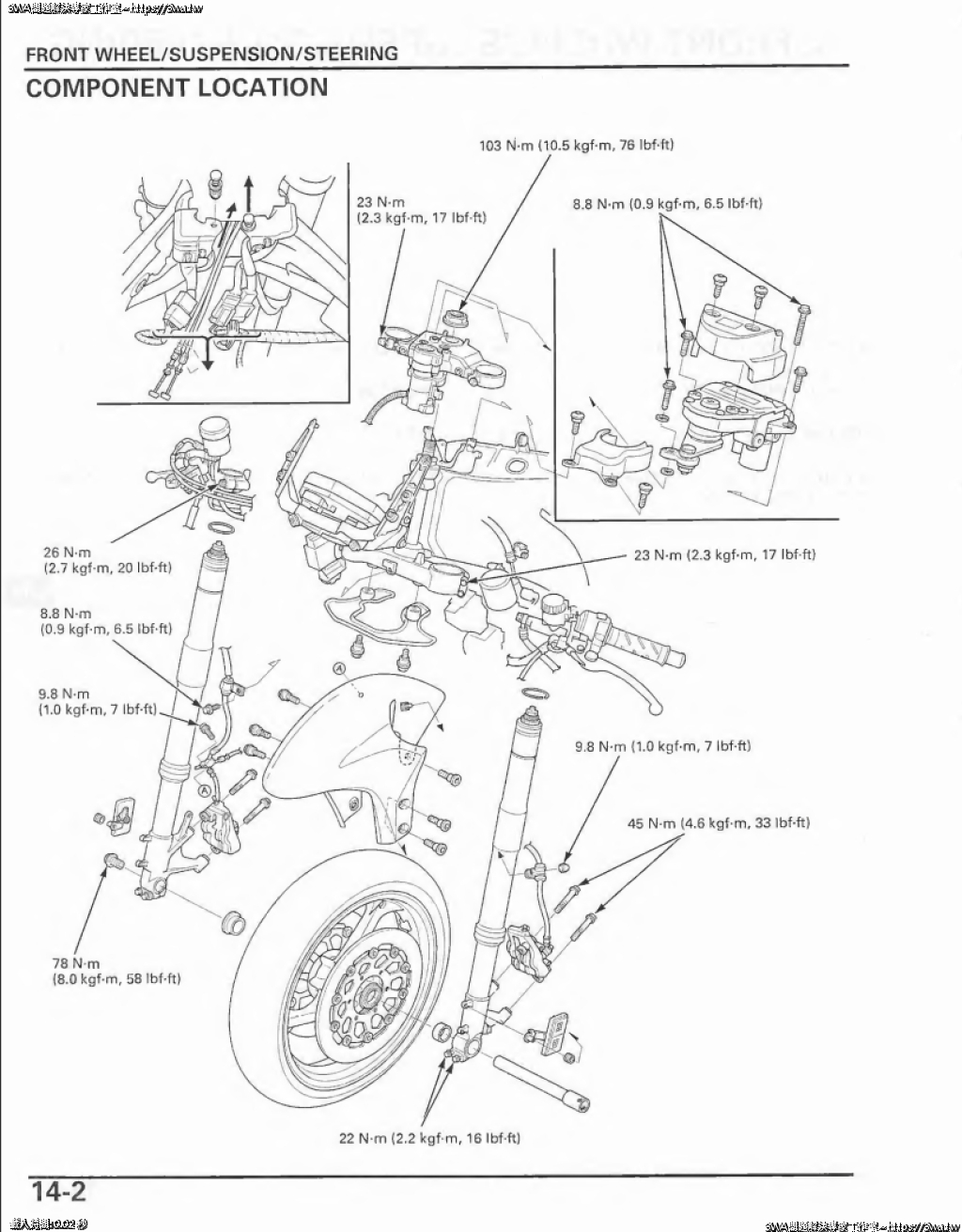
| 內容說明:2023.06.02CBR1000RR更換珠碗 | 瀏覽人數: 769 | 
| 上一張      | 【第137張】 | 下一張  | 
| 縮圖專用網址: http://59-126-75-42.hinet-ip.hinet.net/photo/small.php?w_size=450&compassion=60&file_name=users/shadow/1685990360_1.png 複製 檢視 放大細緻輸出網址: http://59-126-75-42.hinet-ip.hinet.net/photo/small.php?w_size=1024&compassion=90&file_name=users/shadow/1685990360_1.png 複製 檢視 |