訓練家的相簿


The legend of trainer's photos


相簿總覽 

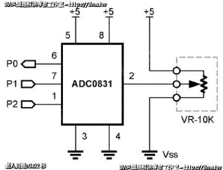
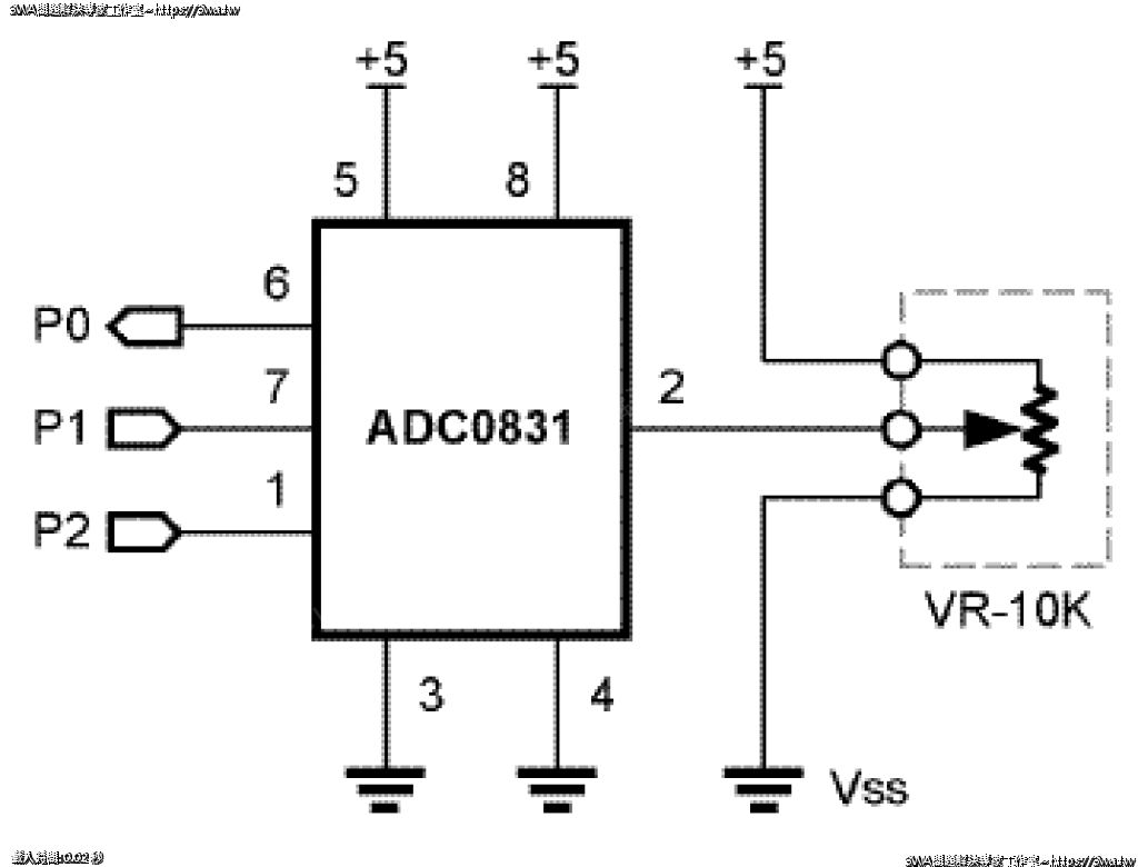
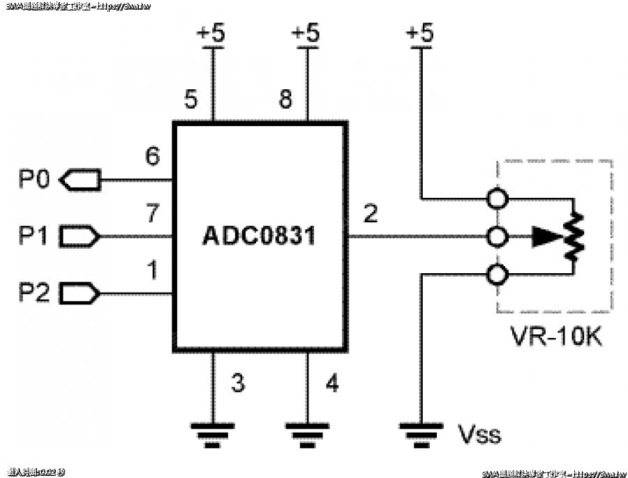
訓練家的相簿系統->2016.03.08NSR-RC伺服馬達研究 【合計:40】
內容說明:NSR-RC伺服馬達研究 瀏覽人數: 1367


 

上一張


  




【第17張】
 

下一張


  


縮圖專用網址: http://59-126-75-42.hinet-ip.hinet.net/photo/small.php?w_size=450&compassion=60&file_name=users/shadow/20160309_015644_0.GIF 複製   檢視
放大細緻輸出網址: http://59-126-75-42.hinet-ip.hinet.net/photo/small.php?w_size=1024&compassion=90&file_name=users/shadow/20160309_015644_0.GIF 複製   檢視

上傳者: 羽山
上傳日期: 2016年03月09
上傳時間: 01:56:44