訓練家的相簿


The legend of trainer's photos


相簿總覽 

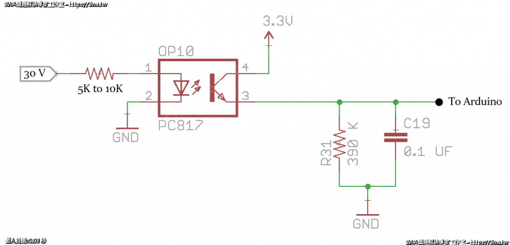
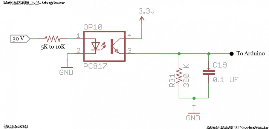
訓練家的相簿系統->2021.07.29NSR CDI研究 【合計:431】
內容說明:2021.07.29NSR CDI研究 瀏覽人數: 962


 

上一張


  




【第174張】
 

下一張


  


縮圖專用網址: http://59-126-75-42.hinet-ip.hinet.net/photo/small.php?w_size=450&compassion=60&file_name=users/shadow/1629783362_1.png 複製   檢視
放大細緻輸出網址: http://59-126-75-42.hinet-ip.hinet.net/photo/small.php?w_size=1024&compassion=90&file_name=users/shadow/1629783362_1.png 複製   檢視

上傳者: 羽山
上傳日期: 2021年08月24
上傳時間: 13:36:02